GUQ氣動高真空切斷球閥技術規范 GUQ氣動高真空球閥是通過電磁換向閥改變氣路方向,控制執行氣缸來驅動球閥,達到接通或切斷真空(壓力)系統管道路中的介質流。應用于真空、乳制品、酒業、生物工程、食品、制藥、飲料、化妝品及化工領域。可選配反饋信號裝置及電氣閥門定位器。氣動真空球閥是指閥門的工作壓力低于標準大氣壓力,即處于真空負壓的狀態,所以通常也被稱為氣動負壓球閥,主要用于真空系統中做開關控制或調節流量使用。氣動真空球閥對材料和清潔度要求非常*,因為要保證在真空下無揮發物,并且經過了密封加強處理,可有效防止大氣環境雜質進入閥腔污染介質。氣動真空球閥可安裝于任意位置,不僅能使用于真空狀態的管路系統中,也能在一定壓力下正常運作。 真空球閥是指工作壓力低于標準大氣壓的,形成一定真空的球閥。同一公稱直徑的管子與管路附件均能相互連接,具有互換性.它不是實際意義上的管道外徑或內徑,雖然其數值跟管道內徑較為接近或相等,為了使管子、管件連接尺寸統一,采用公稱直徑(也稱公稱口徑、公稱通徑)。 
GUQ氣動高真空切斷球閥技術規范使用條件: 1.純凈空氣或非腐蝕性氣體。 2.介質溫度由使用橡膠的溫度所決定。 選用真空閥門要考慮的因素(依據) 1.根據工作壓力有低真空閥門、高真空閥門和超高真空閥門。 2.根據結構特點有擋板閥、插板閥、蝶閥、球閥、隔膜閥、角閥、直通閥、三通閥。 3.根據傳動原理有手動、氣動、電動、電磁。一般氣動是電磁先導、氣缸執行動作的過程,也可用手控制先導閥氣缸執行動作的過程。電動為手、電兩用,當停電時可用手動進行操作。 4.根據材料有不銹鋼、碳鋼、鋁合金為主體材料的閥門。 5.根據動密封的材料也可分金屬密封和非金屬密封閥門。軸封用O形橡膠圈一般真空動密封的漏率為10-4Pa.L/S,在軸運動過程中真空度不高,可用于要求不高的高真空條件下使用;軸封為金屬波紋管密封,其漏率為10-7Pa.L/S,適用于超高真空條件下使用。 GUQ氣動高真空切斷球閥技術規范原理: 
真空球閥的工作原理是利用閥桿驅動球體旋轉,通過球體與閥座之間的密封配合,實現氣流的通斷和流量調節。 1. 通斷原理:當球體旋轉到與閥座接觸的位置時,閥門處于關閉狀態,氣流無法通過;當球體旋轉離開閥座的位置時,閥門處于開啟狀態,氣流可以通過。 2. 流量調節原理:通過改變球體的旋轉角度,可以改變閥門的開度,從而實現氣流流量的調節。當球體旋轉角度較小時,閥門開度較小,氣流流量較小;當球體旋轉角度較大時,閥門開度較大,氣流流量較大。 3. 密封原理:真空球閥的密封主要依靠球體與閥座之間的密封配合實現。在閥門關閉狀態下,球體與閥座之間形成緊密的密封,防止氣體泄漏;在閥門開啟狀態下,球體與閥座之間保持一定的間隙,使氣流能夠順利通過。 總之,真空球閥的正確使用和原理主要包括安裝前的檢查、安裝方向、安裝位置、連接方式、操作方法和維護保養等方面。其工作原理是通過閥桿驅動球體旋轉,實現氣流的通斷和流量調節。 GUQ氣動高真空切斷球閥技術規范特點: 1,可在*真空狀態下正常工作,也能應用于低壓的系統中,達到正負壓同用的優點; 2,氣動真空球閥利用氣源壓力來控制閥門,驅動力矩小,可在短時間內快速啟閉; 3,可在任意位置安裝,并且有多種不同連接方式,能夠滿足任何復雜狀況; 4,氣動*真空球閥結構簡單、密封性好,選用不同材質及作用形式可對應使用在不同的工況場合。 5,廣泛應用于真空、乳制品、酒業、生物工程、食品及化工領域,能有效保證閥門的密封性能。 GUQ氣動高真空切斷球閥技術規范主要零件材料閥體、閥蓋、閥桿:不銹鋼 密封件:四氟乙烯、丁腈橡膠、氟橡膠、PPL。 氣動真空球閥技術參數: 
| 公稱通徑 | DN15~DN100(mm) | | 壓力范圍 | 1.3×10-7Pa~6×105pa | | 連接方式 | 活套法蘭、焊接法蘭、快裝式、螺紋 | | 閥體結構 | 三片式閥體 | | 驅動方式 | 氣動控制0.4-0.7bar | | 工作溫度 | -30℃~+232℃ | | 適用介質 | *純度氣體及非腐蝕性氣體 | | 作用形式 | 單作用彈簧復位(常開、常閉),雙作用(氣開氣關) | | 控制方式 | 切斷型(開關兩位控制)、調節模式(4-20mA信號比例式調節) | 如何降低氣動真空球閥漏氣率: 1、抽空與氣動*真空球閥相連接的管道,采用圓弧過渡,使氣路不被堵塞,能夠暢通無阻。 2、盡可能避免出現死角,應采用*精度拋光,符合真空的適用標準。 3、加強對氣動*真空球閥內外表面的拋光處理,使之不易吸附氣體,達到真空效果。 4、盡可能減小真空系統的體積,以及縮短管路系統的長度。 5、所用材料除要求具有光潔表面、無劃傷、無裂紋外,還要求有低的滲透率和出氣率以及良好的耐熱性耐油性,同時要有一定的強度、硬度和彈性等。
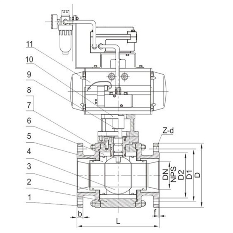
GUQ氣動高真空切斷球閥技術規范螺紋連接結構圖
螺紋連接的外形及連接尺寸(mm) (JB919) | Model型號 | DN | G | H | E | L | | GUQ-10(G) | 10 | 1/4" | 153 | 104 | 68 | | GUQ-16(G) | 16 | 1/2" | 155 | 104 | 72 | | GUQ-20(G) | 20 | 3/4" | 160 | 104 | 82 | | GUQ-25(G) | 25 | 1" | 163 | 140 | 90 | | GUQ-32(G) | 32 | 1-1/4" | 180 | 140 | 112 | | GUQ-40(G) | 40 | 1-1/2" | 186 | 140 | 120 | | GUQ-50(G) | 50 | 2" | 233 | 164 | 145 | | GUQ-63(G) | 63 | 2-1/2" | 272 | 164 | 185 | | GUQ-80(G) | 80 | 3" | 351 | 190 | 210 | | GUQ-100(G) | 100 | 4" | 370 | 190 | 268 | 活套法蘭連接結構圖
活套法蘭連接的外形及連接尺寸(mm) (GB6070) | Model型號 | DN | D | Do | H | E | L | n-φc | | GUQ-10(F) | 10 | 55 | 40 | 153 | 105 | 84 | 4-φ6.6 | | GUQ-16(F) | 16 | 60 | 45 | 155 | 130 | 84 | 4-φ6.6 | | GUQ-25(F) | 25 | 70 | 55 | 163 | 165 | 114 | 4-φ6.6 | | GUQ-32(F) | 32 | 90 | 70 | 180 | 165 | 140 | 4-φ9 | | GUQ-40(F) | 40 | 100 | 80 | 186 | 190 | 160 | 4-φ9 | | GUQ-50(F) | 50 | 110 | 90 | 233 | 190 | 170 | 4-φ9 | | GUQ-63(F) | 63 | 130 | 110 | 272 | 250 | 195 | 4-φ9 | | GUQ-80(F) | 80 | 145 | 125 | 351 | 250 | 203 | 8-φ9 | | GUQ-100(F) | 100 | 165 | 145 | 370 | 280 | 280 | 8-φ9 | 快卸法蘭連接結構圖
快卸法蘭連接的外形及連接尺寸(mm) (GB4982) | Model型號 | DN | D1 | D | H | E | L | | GUQ-10(KF) | 10 | 12.2 | 30 | 153 | 104 | 84 | | GUQ-16(KF) | 16 | 17.2 | 30 | 155 | 104 | 84 | | GUQ-25(KF) | 25 | 26.2 | 40 | 163 | 140 | 114 | | GUQ-32(KF) | 32 | 34.2 | 55 | 180 | 140 | 140 | | GUQ-40(KF) | 40 | 41.2 | 55 | 186 | 140 | 160 | | GUQ-50(KF) | 50 | 52.2 | 75 | 233 | 164 | 170 | 正確的安裝氣動開關球閥是一項技術性很強的工作,如果安裝不當,可能會導致設備運行不穩定,甚至可能會對設備造成損壞。因此,本文將為您提供一份詳細的氣動開關球閥安裝教程,幫助您正確安裝您的設備。 
步驟一:準備工作 在開始安裝氣動開關球閥之前,您需要準備一些必要的工具和材料,包括氣動開關球閥、氣動執行器、氣管、螺絲刀、扳手等。此外,您還需要確保您的工作環境是安全的,沒有任何可能對您或您的設備造成傷害的風險。 步驟二:安裝氣動執行器 首先,您需要將氣動執行器安裝在合適的位置。一般來說,氣動執行器應該安裝在離地面一定高度的地方,以便于操作和維護。然后,您需要使用螺絲刀和扳手將氣動執行器固定在位。 步驟三:連接氣管 接下來,您需要將氣管連接到氣動執行器和氣動開關球閥上。在連接氣管時,您需要注意以下幾點: 1.氣管的直徑應與氣動執行器和氣動開關球閥的接口相匹配。 2.氣管的長度應適當,不能過長或過短。 3.在連接氣管時,您需要確保氣管的連接處是密封的,以防止氣體泄漏。 步驟四:安裝氣動開關球閥 您需要將氣動開關球閥安裝在合適的位置。在安裝氣動開關球閥時,您需要注意以下幾點: 1.氣動開關球閥的位置應便于操作和維護。 2.在安裝氣動開關球閥時,您需要確保閥門的進出口方向是正確的。 3.在安裝氣動開關球閥時,您需要確保閥門的密封面是干凈的,沒有任何雜質。 步驟五:測試和調試 在完成上述步驟后,您需要進行測試和調試,以確保氣動開關球閥的正常運行。在測試和調試過程中,您需要注意以下幾點: 1.您需要檢查氣動開關球閥的開啟和關閉是否順暢。 2.您需要檢查氣動開關球閥的密封性能是否良好。 3.您需要檢查氣動開關球閥的操作是否靈活,是否有任何異常的聲音或振動。 
GUQ氣動高真空切斷球閥技術規范 氣動球閥是一種常用的控制閥,正確安裝可以確保其正常運行和使用。下面是氣動球閥正確安裝的幾個步驟: 一、準備工作: 首先確認球閥的型號和規格與管道系統的要求相匹配。清潔管道系統,確保工作環境干凈整潔。 二、準備工具: 根據球閥的安裝要求,準備必要的工具和設備,如扳手、螺絲刀、托架等。 三、安裝球閥: 將球閥放置在安裝位置上,并使用托架或支撐裝置固定住球閥。 四、連接管道: 使用扳手或扳手連接球閥的進出口與管道的連接口,確保連接牢固。 五、檢查密封: 在安裝過程中,需要確保球閥的密封性能。檢查球閥的密封面是否干凈,有無破損等。根據需要,可以在連接處使用密封墊片或密封膠等材料,確保密封性。 六、安裝氣動裝置: 根據球閥的氣動控制要求,安裝相應的氣動裝置,如氣缸或電動執行器。確保氣動裝置與球閥連接緊密,并按照氣動裝置的操作說明進行接線和調試。 七、檢查操作: 安裝完成后,進行球閥的操作檢查。打開和關閉球閥,觀察閥門的運動是否正常,檢查是否有漏氣現象。 八、完成安裝: 確認球閥安裝正確并工作正常后,固定球閥的連接螺栓,將球閥安裝完畢。 以上是氣動球閥正確安裝的幾個步驟,根據具體的球閥型號和安裝要求,可能會有所不同,建議在安裝前仔細閱讀球閥的安裝說明書,并遵循的安裝建議。 
GUQ氣動高真空切斷球閥技術規范 正確的安裝氣動開關球閥是一項技術性很強的工作,如果安裝不當,可能會導致設備運行不穩定,甚至可能會對設備造成損壞。因此,本文將為您提供一份詳細的氣動開關球閥安裝教程,幫助您正確安裝您的設備。 步驟一:準備工作 在開始安裝氣動開關球閥之前,您需要準備一些必要的工具和材料,包括氣動開關球閥、氣動執行器、氣管、螺絲刀、扳手等。此外,您還需要確保您的工作環境是安全的,沒有任何可能對您或您的設備造成傷害的風險。 步驟二:安裝氣動執行器 首先,您需要將氣動執行器安裝在合適的位置。一般來說,氣動執行器應該安裝在離地面一定高度的地方,以便于操作和維護。然后,您需要使用螺絲刀和扳手將氣動執行器固定在位。 步驟三:連接氣管 接下來,您需要將氣管連接到氣動執行器和氣動開關球閥上。在連接氣管時,您需要注意以下幾點: 1.氣管的直徑應與氣動執行器和氣動開關球閥的接口相匹配。 2.氣管的長度應適當,不能過長或過短。 3.在連接氣管時,您需要確保氣管的連接處是密封的,以防止氣體泄漏。 步驟四:安裝氣動開關球閥 您需要將氣動開關球閥安裝在合適的位置。在安裝氣動開關球閥時,您需要注意以下幾點: 1.氣動開關球閥的位置應便于操作和維護。 2.在安裝氣動開關球閥時,您需要確保閥門的進出口方向是正確的。 3.在安裝氣動開關球閥時,您需要確保閥門的密封面是干凈的,沒有任何雜質。 步驟五:測試和調試 在完成上述步驟后,您需要進行測試和調試,以確保氣動開關球閥的正常運行。在測試和調試過程中,您需要注意以下幾點: 1.您需要檢查氣動開關球閥的開啟和關閉是否順暢。 2.您需要檢查氣動開關球閥的密封性能是否良好。 3.您需要檢查氣動開關球閥的操作是否靈活,是否有任何異常的聲音或振動。 |