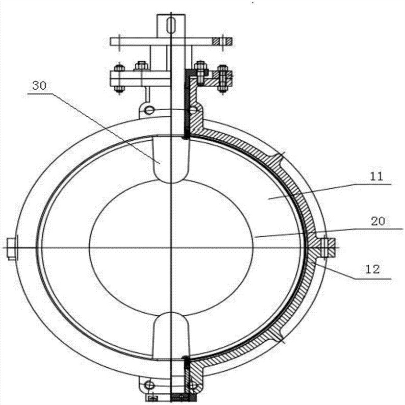
D671PFA氣動中線襯氟對夾式蝶閥技術規范 公司生產的氣動襯氟蝶閥采用帶有球形密封表面的襯聚四氟乙烯包襯蝶板,該閥門操作輕便,嚴密的密封性能,超長的使用壽命;可作快速切斷或調節流量之用。襯四氟氣動蝶閥適用于要求可靠密封和良好調節特性的場合。閥體采用分體式,閥軸兩端的密封由蝶板與閥座之間的旋轉基面加氟橡膠來控制;保證閥軸不與腔內流體介質接觸。氣動襯氟蝶閥廣泛適用于各種不同類型工業管道中液體和氣體(包括蒸氣)的輸送,有嚴重腐蝕性介質的使用場合,如:硫酸、磷酸、氯氣、強堿、王水等具有強腐蝕性的介質。氣動蝶閥是一種常見的工業用閥門,它具有靈活、方便、耐用等優點,在很多領域中得到了廣泛的應用。以下是萊克氣動蝶閥廠家介紹的進口氣動軟密封蝶閥的特點及應用:氣動對夾蝶閥,Pneumatic wafer butterfly valve,也叫氣動對夾式蝶閥,氣動對夾鑄鐵蝶閥,氣動對夾不銹鋼蝶閥,氣動球墨鑄鐵蝶閥,由氣動執行器和對夾式蝶閥閥體組成,以壓縮空氣為動力,閥桿帶動閥芯在閥體內轉動90℃,可以實現全開——全閉的動作的蝶閥。分為氣動軟密封蝶閥和氣動硬密封蝶閥,氣動軟密封蝶閥適用于密封要求較高的常溫常壓介質,氣動硬密封蝶閥適用于較高溫高壓,帶雜質的場合。 氣動蝶閥配行程限位開關、電磁閥、三聯件及0.3-0.8MPa氣源可實現開關操作,并送出二對無源觸點信號指示閥門的開關。 氣動蝶閥與電氣定位器配套,輸入4-20mADC信號及0.3-0.8MPa氣源即可實現智能控制,實現對壓力、流量、溫度、液位等參數的調節。它是。 可廣泛應用于石油、化工、輕工、制藥、造紙、汽車等工業自動控制系統中作遠距離集中控制或就地控制。 
二、D671PFA氣動中線襯氟對夾式蝶閥技術規范技術參數 1:單作用執行機構:氣關式(B)--失氣時閥位開(FO);氣開式(K)--失氣時閥位關(FC): 2:雙作用執行機構:氣關式(B)--失氣時閥位保持(FL);氣開式(K)-- 失氣時閥位保持(FL) 3、公稱通徑 DN50~1000mm 4、公稱壓力 PN1.0、1.6、2.5 4.0MPa 5、連接形式 對夾式 6、供氣壓力0.3Mpa~0.8Mpa 7、傳動方式:氣動(可選配帶手動裝置) 8、適用介質:淡水、污水、海水、空氣、蒸氣、食品、藥品、各種油類、酸類、堿類、鹽類等 9、軟密封法蘭蝶閥適用于溫度≤150℃的水、氣體等流體介質,硬密封法蘭蝶閥適用于≤425℃的水、蒸汽等流體介質。 特點:氣動蝶閥由電動、氣動執行機構、閥體、閥桿、蝶板、密封圈等部分組成。具有操作靈活、密封可靠、安裝簡單等優點。其密封性能優異,使用壽命長,適用于介質溫度較高的場合。 應用:氣動蝶閥廣泛應用于石油、化工、輕工、食品、醫藥、冶金、電力等行業的介質流量控制。不同類型的氣動軟密封蝶閥還可以適用于不同介質,如水、油、酸堿液體等。 維護:氣動蝶閥施工和維護簡單,通過更換密封圈等易損件可有效延長使用壽命,并且可以根據需求進行定制化加工,以滿足特定工程需求。 環保:氣動軟密封蝶閥采用環保材質,無毒、無味、不產生有害物質,符合環保要求。 綜上所述,氣動軟密封蝶閥具有操作靈活、密封性好、安裝簡單、維護方便等特點,并且可以廣泛應用于石油、化工、輕工、食品、醫藥、冶金、電力等行業的介質流量控制。此外,氣動軟密封蝶閥還具有環保優勢,在滿足工程需求的同時,也能夠滿足環保要求。因此,氣動軟密封蝶閥是一種高效、環保、可靠的閥門產品,深受用戶青睞。 
二、D671PFA氣動中線襯氟對夾式蝶閥技術規范產品特點公司生產的全襯聚四氟乙烯(F4)、聚三氟氯乙烯(F3)和聚全氟乙丙烯(F46)氟塑料襯里蝶閥,具有耐腐蝕、無泄漏、壽命長等優點。襯四氟氣動蝶閥適用于濃硫酸、鹽酸、硝酸、王水、各種有機酸、強酸、氧化性介質或高溫烯硫酸、高溫濃醋酸、酸堿交替及多種有機溶劑和其它強腐蝕性介質。 (1)小型輕便,容易拆裝及維修,并可在任意位置安裝。 (2)結構簡單、緊湊,90°回轉開啟迅速。3 (3)操作扭矩小,省力輕巧。 (4)流量特性趨於直線,調節性能好。 (5)密封材料耐老化、耐腐蝕、可適用多種介質。 D671PFA氣動中線襯氟對夾式蝶閥技術規范 
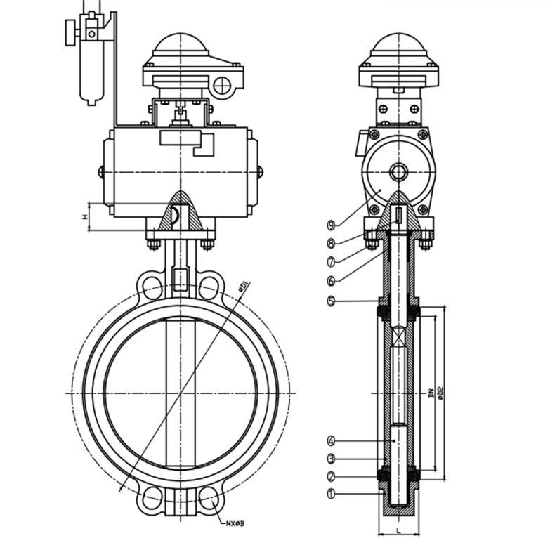
三、氣動對夾蝶閥主要連接尺寸: | 公稱通徑 DN | 外形尺寸 | 連接尺寸 | 執行器型號 * | | L | L1 | L2 | H | H1 | D | D1 | n-φd | | 50 | 43 | 164/214 | 75/91 | 263/291 | 80 | 165 | 125 | 4-φ18 | VTD65/VTE80 | | 65 | 46 | 164/214 | 75/91 | 277/305 | 89 | 185 | 145 | 4-φ18 | VTD65/VTE80 | | 80 | 46 | 164/214 | 75/91 | 283/311 | 95 | 200 | 160 | 8-φ18 | VTD65/VTE80 | | 100 | 52 | 190/246 | 91/101 | 330/340 | 114 | 220 | 180 | 8-φ18 | VTD80/VTE90 | | 125 | 56 | 210/295 | 101/112 | 353/369 | 127 | 250 | 210 | 8-φ18 | VTD90/VTE100 | | 150 | 56 | 247/398 | 112/139 | 382/408 | 139 | 285 | 240 | 8-φ22 | VTD100/VTE125 | | 200 | 60 | 308/478 | 139/176 | 442/493 | 175 | 340 | 295 | 8-φ22 | VTD125/VTE160 | | 250 | 68 | 378/562 | 176/206 | 525/574 | 203 | 395 | 350 | 12-φ22 | VTD160/VTE190 | | 300 | 78 | 432/728 | 206/228 | 619/642 | 242 | 445 | 400 | 12-φ22 | VTD190/VTE210 | | 350 | 78 | 524/928 | 228/275 | 673/720 | 267 | 505 | 460 | 16-φ22 | VTD210/VTE255 | | 400 | 102 | 524/1033 | 228/324 | 705/800 | 309 | 565 | 515 | 16-φ22 | VTD210/VTE300 | | 450 | 114 | 648/1129 | 275/380 | 774/880 | 328 | 615 | 565 | 20-φ26 | VTD255/VTE350 | | 500 | 127 | 715/1430 | 324/425 | 880/905 | 361 | 670 | 620 | 20-φ26 | VTD300/AW20S | | 600 | 154 | 795/1845 | 380/527 | 1020/1089 | 459 | 780 | 725 | 20-φ30 | VTD350/AW28S | | 700 | 165 | 795/1845 | 280/527 | 1082/1151 | 520 | 895 | 840 | 24-φ30 | VTD350/AW28S | | 800 | 190 | 1380/2605 | 527/440 | 1199/1112 | 591 | 1015 | 950 | 24-φ33 | AW28/AW35S | 三、氣動襯氟蝶閥 主要技術參數
| 稱通經DN(mm) | 50~1600 | | 公稱壓力PN(MPa) | 0.6 | 1.0 | 1.6 | | 密封試驗(MPa) | 0.66 | 1.1 | 1.76 | | 強度試驗(MPa) | 0.9 | 1.5 | 2.4 | | 適用溫度 | 氟橡膠:-20℃~200℃ | | 適用介質 | 水、空氣、天然氣、油品及弱腐蝕性流體 | | 泄漏率 | 符合GB/T13927-92標準 | | 驅動方式 | 氣動 | | 配置執行機構 | GT、AT、AW系列單雙作用氣動執行器 | | 控制方式 | 開關兩位控制、4~20mA模擬量信號控制 | | 四、氣動襯氟蝶閥 執行器技術參數
| 執行器型號 | GT、AT、AW系列單雙作用氣動執行器 | | 供氣壓力 | 0.4~0.7MPa | | 氣源接口 | G1/4"、G1/8"、G3/8"、G1/2" | | 環境溫度 | -30~+70℃ | | 作用形式 | 單作用執行機構、雙作用執行機構 | | 可配附件 | 定位器、電磁閥、空氣過濾減壓器、保位閥、行程開關、閥位傳送器、手輪機構等 | | 采用新型氣動執行器,有雙作用式和單作用式(彈簧復位),齒輪齒條傳動,安全可靠;大口徑閥門采用系列AW型氣動執行器拔叉式傳動,結構合理,輸出力大,有雙作用式和單作用式。 1、齒輪式雙活塞,輸出力矩大,體積小。 2、氣缸選用鋁金材料,重量輕、外形美觀。 3、可在頂部、底部安裝手動操作機構。 4、齒條式連接可調節開啟角度、額定流量。 5、執行器可選帶電訊號反饋指示及附件以實現自動化操作。 6、IS05211標準連接為產品的安裝更換提供了方便。 7、兩端調的節螺釘可使標準產品在0°和90°有±4°的可調范圍。確保與閥門的同步。 五、D671PFA氣動中線襯氟對夾式蝶閥技術規范 產品選型
(1)閥體參數:公稱通徑、工作壓力、工藝介質、使用場合、閥體材料等系列參數。 (2)執行器參數:執行器形式、控制方式、控制信號(4-20mA,1-5V)、作用方式(氣-開式,氣-關式) 盡量詳細提供氣動襯氟蝶閥的技術參數,方便我公司銷售及技術人員為您準確選型。如有任何疑問.您可以致電給我們,我們一定會盡心盡力為您提供優質的服務! 對夾式蝶閥,作為工業管路中的閥門類型,其小巧的身姿在狹窄空間或緊密管道間也能大展身手。安裝時,只需將蝶閥置于管道兩端法蘭之間,通過雙頭螺栓將管道法蘭與蝶閥緊密相連,便可輕松實現對管路流體介質的控制。值得一提的是,當蝶閥開啟時,其蝶板的厚度僅為介質通過閥體時的微小阻力,從而使得通過該閥門的壓力降維持在較低水平,展現出的流量調控能力。 
01D671PFA氣動中線襯氟對夾式蝶閥技術規范安裝準備事項 在開始安裝對夾式蝶閥之前,有幾個關鍵步驟需要確保妥善完成。首先,仔細檢查蝶閥及其相關部件,確保它們完好無損且符合安裝要求。其次,熟悉并理解管道系統的布局和設計,以便確定蝶閥的安裝位置和方向。最后,準備好所需的安裝工具和材料,如雙頭螺栓、法蘭等,以確保安裝過程順利進行。 ? 檢查設備和工具在開始安裝之前,務空氣噴洗清除配管上的異物,同時用清水清洗配管內面。 ? 閥門檢查和準備細心核對閥門的使用情況,確保其性能規范與實際需求相符,特別要注意溫度和壓力的限制。檢查閥門通道及密封面是否殘留雜物,如有,需及時清除,以保證閥門的正常工作。開箱后的閥門應立即進行安裝,避免隨意松動閥門上的緊固螺釘或螺母,以確保安裝的準確性。對夾式蝶閥的安裝必須使用專為蝶閥設計的法蘭片,以確保安裝的質量和密封性。對于電動蝶閥,雖然可以安裝在任意角度的管道上,但為了維護的便捷性,建議避免倒置安裝。 在安裝蝶閥法蘭盤時,必須確保法蘭面與密封橡膠精準對中,螺釘應均勻擰緊,以保證密封面的完整貼合。如果不均勻擰緊螺釘,可能會導致橡膠凸起卡住蝶板或頂住蝶板,從而造成閥桿處的泄漏問題。 02安裝步驟詳解 接下來,讓我們了解對夾式蝶閥的安裝步驟。正確的安裝流程對于確保蝶閥的密封性能、防止泄露以及保障工況作業中的安全性至關重要。因此,用戶應仔細閱讀并遵循安裝指南進行操作。 ? 放置閥門與初步固定將閥門平穩地置于預安裝的兩片法蘭之間,并確保螺栓孔能夠精準對齊。 將四對螺栓螺母逐一輕柔地置入法蘭孔中,隨后略微擰緊螺母,以此方式校正法蘭面的平整度。 ? 焊接法蘭通過點焊將法蘭穩固地連接至管道上。 將閥門從管道上移開,并將法蘭與管道焊接,確保其穩固連接。 ? 再次安裝和調整在焊口冷卻之后,進行閥門的安裝。確保閥門在法蘭內部擁有充足的運動空間,以防止閥門受到損壞,同時也要確保閥板能夠達到一定的開啟角度。 調整閥門至適當位置后,逐一擰緊四對螺栓,但需注意不要過度擰緊。 ? 最終檢查和調試開啟閥門,確保閥板能夠順暢地開啟與關閉,隨后略微打開閥板。 進行交叉均衡,逐一擰緊所有螺母,確保均衡分布。再次檢驗閥門的開閉是否自如,同時需留意閥板是否與管道發生接觸。 對夾式蝶閥的安裝過程需要格外小心。在安裝前,應確保閥門平放且避免隨意磕碰。安裝時,需按照預設長度進行拉制,確保準確無誤。在現場管道設計中,未經特殊許可,不得隨意拆卸對夾式蝶閥。此外,對夾式蝶閥可安裝在任何位置,但安裝完成后,需沿線路鋪設并為其設置支架。一旦支架制作完成,嚴禁在使用過程中將其拆除。 
D671PFA氣動中線襯氟對夾式蝶閥技術規范安裝 1、進口氣動蝶閥安裝前檢查氣動蝶閥各部件構件無缺少,型號規格準確無誤,查驗閥身體無臟物,繼電器和消聲器內無堵塞。 2、將閥門和氣缸均放置關閉狀態。 3、將氣缸撞倒閥門上,(安裝方向與油路板平行面或豎直都能夠),再看一遍螺絲口是不是對正,不會有太大誤差,若有少量誤差,將氣缸套旋轉一點就就行了,再將螺釘擰緊。 4、氣動蝶閥安裝完成后,對氣動蝶閥開展調節(通常情況下氣路工作壓力為0.4~0.6MPa),調節運行中須手動控制繼電器啟閉(將電磁線圈跳停后手動控制即可合理),觀查氣動蝶閥的啟閉狀況。若是在調節運行中發覺閥門在啟閉全過程原始時有一些費勁,以后正常的,就需要將氣缸行程調低(把汽缸兩邊行程安排調節螺絲與此同時往里面調一點,調節時需在閥門運作到開部位,再將氣動閥門關閉再調),直到閥門啟閉姿勢絲滑且關掉無泄漏。還需注意,可調式型消聲器可調節閥門的啟閉速率,但不能調節太小,不然可能會引起閥門不姿勢。 5、得發在安裝前要保持清潔,不能室外儲放 6、氣動蝶閥安裝前要查管路,保證管道中無焊疤等臟東西 7、蝶閥油路板手動式啟閉摩擦阻力適度,蝶閥扭距與選定執行機構扭距配對。 8、蝶閥聯接用法蘭規格型號恰當,管路對夾式法蘭與蝶閥法蘭規范相符合。使用蝶閥專用型法蘭,不得將立焊法蘭。 9、確定法蘭電焊焊接準確無誤,蝶閥安裝完成后不得電焊焊接法蘭,以防燒傷橡膠產品。 10、氣動蝶閥安裝上管道法蘭需要進行對心,并和放進的蝶閥開展對心。 11、安上每一個法蘭地腳螺栓,并且用手扭緊,將確定蝶閥與法蘭早已對心,隨后小心地啟閉蝶閥,保證啟閉靈便。 12、將閥門打開,用扳子依照對角順序將螺母旋緊,不用密封圈,切忌將螺母擰的太緊,防止導致閥圈里的比較嚴重變型,啟閉扭距太大。 |